阿特拉斯空压机能量回收系统可用作温升较低/水量较大的系统,也可用作温升较高/水量较小的系统。
温升较低/水量较大的系统的数据
对于此类应用,阿特拉斯空压机能量回收系统中的水温与空压机油温度之间的温差较低, 因此,需要较大的水量才能达到最大能量回收。
例如∶在封闭式回路(中央暖气系统)中使用加热的水,使另一介质保持适宜的高温。
温升较高/水量较小的系统的数据
对于此类应用,阿特拉斯空压机能量回收系统中的水温上升较高,因而需要的水量较小。
例如∶在一个开放式回路中,通过能量回收系统将主要供水管输送的冷水加热以供工厂使用(预加热锅炉给水)。
回收水量
要获取参考信息,请参考能量回收数据。
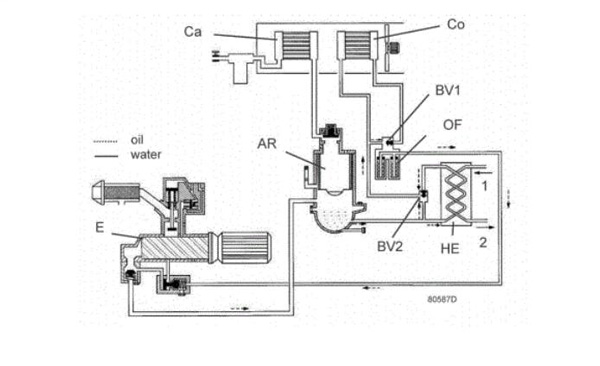
回收水经进口(1)流入机组。 压缩热量在热交换器(HE)中从压缩机油传递给回收水。 最后,回收水通过出口(2)流出热交换器(HE)。
封闭式水回路的回收水要求
使用封闭式水回路可降低对补给水的需求, 从而使软水的使用,甚至软化水的使用具备一定的经济可行性,并消除水垢问题。 虽然热交换器由不锈钢制成,但与压缩机相连的水回路可能仍需要使用腐蚀抑制剂。 要将因劣质水引起的问题降至最低,请参阅冷却水要求部分。 如有疑问,请向阿特拉斯·科普柯咨询。
在水中添加与预计温度成比例的防冰冻产品(如乙二醇),以防止水结冰。
阿特拉斯空压机能量回收系统中开放式水回路的回收要求
对于开放式。非再循环刑水回路,遇到的主要问题通常与结垢控制、腐蚀控制和微生物生长控制有关。 为了将这些问题的数量降至最低,回收水应该满足多个要求。 请参阅冷却水要求部分。 如有疑问,请向阿特拉斯·科普柯咨询。

阿特拉斯空压机能量回收系统流程图

